您好,欢迎来到邹平力测电子有限公司
邹平力测电子有限公司
全国服务咨询热线:
0543-4617245
PRODUCTS CENTER
产品中心
当前位置:首页  > 产品中心 > 详细信息
波纹管称重传感器LCP-7

一、产品简介:

LCP-7型钢制悬臂梁式称重传感器,采用不锈钢波纹管焊接密封型式,可承受拉、压两种受力形式,抗过载、抗疲劳、抗偏载能力强。可用于制作电子皮带秤、料斗称等各种专用衡器。

二、技术指标:

量程

10~1000Kg

输入电阻

385±10Ω

灵敏度

2±0.010 mV/V

输出电阻

350±3Ω

非线性 /滞后/重复性

± 0.02%FS

绝缘电阻

≥ 5000 MΩ

蠕 变

± 0.02%FS

供桥电压

10(DC/AC) V

零点输出

± 1.00%FS

工作温度

- 20~+60℃

零点温度影响

± 0.02%FS/10℃

安全过载

120%FS

输出温度影响

± 0.02%FS/10℃

材质

不锈钢

接线方式

输入:红(+)黑(-) 输出:绿(+) 白(-)


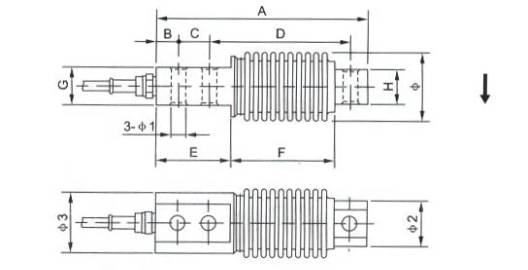
三、外形尺寸:

               

          

量程 (kg)

尺寸: mm

A

B

C

D

E

F

G

H

Φ

Φ 1

Φ 2

Φ 3

10-200

123.0

13.0

18.0

82.0

45.0

59.0

22.0

20.0

45.0

8.5

26.0

35.0

300-1000

210.0

15.0

40.0

133.0

93.0

64.0

34.0

25.0

60.0

13.0

36.0

50.0


 
    本文标签:波纹管称重传感器LCP-7
版权所有:邹平力测电子有限公司
地址:山东邹平县腾达路88号
公司电话:0543-4617245
邮箱:licechina@163.com
技术支持:山东华拓网络