您好,欢迎来到山东昊润自动化技术有限公司
全国服务咨询热线:
0543-4895008
PRODUCTS CENTER
产品中心
当前位置:首页  > 产品中心 > 详细信息
SHR1000型硅电容数字式绝压传感器
QQ截图20160920140223.

产品特点:
测量范围:30Kpa-120Kpa
单级+2.4-3.3V电源
四种工作状态,外加断电模式
板上线性化和温度补偿
板上温度测量
预编译校准系数,温度漂移,灵敏度系数包含于EEPROM中
标准数字输出:SPI或I²C(1
O形环小尺寸封装,直径:6.1mm,高度1.7mm(2
实验承受压力:3.2Mpa
符合RoHS,不含铅
产品优点
高分辨率,高速,适宜的电流消耗
高精度,低功耗
坚韧的封装
采用先进的3D-MEMS技术
最小的MCU资源即可事先高度或者气压的计算
产品应用
大气压力测量,高度计应用
家用气候监测
先进的医学应用
水平测量
订购信息


产品

描述

 

SHR1000D01

30KPa-120KPa,SPI串口,内部时钟

 

SHR1000D11

30KPa-120KPa,I²C串口,内部时钟

 

 

极限条件


参数

单位

电源电压

-0.3to+3.6

V

输入/输出脚电压

-0.3to(Vdd+0.3)

V

ESD(人体模式)

±2.0

kV

ESD(机器放电模式)

±0.5

kV

存储温度

-30—+85

实验承受压力

3.2

MPa

电气特性:(Vdd为2.7V,温度为常温,除非特别说明)


参数

条件

最小值

典型值

最大值

单位

电源

 

2.4

 

3.3

V

电流消耗

Vdd=2.4-3.3v高分辨率模式

 

26

50

μA

 

Vdd=2.4-3.3v高速模式

 

25

50

μA

 

Vdd=2.4-3.3v超低功耗模式

 

3.5

6

μA

 

Vdd=2.4-3.3vPowerDown模式

 

0.2

0.5

μA

输出负载

@500kHz

 

 

50

pF

数字输入脚电容

 

 

 

16

pF

SPI时钟频率

 

 

 

500

kHz

I²C时钟频率

 

 

 

400

kHz

数字转换时间

@500kHz

 

120

 

us

 

性能特性


参数

条件

最小值

典型值

最大值

单位

测量压力范围

标称值

30

 

120

kPa

工作温度

 

-20

 

70

精度

海平面,+10—40℃

-100

18

100

Pa

 

 

-8.5

1.5

8.5

m

 

0-3000m+10—40℃

-100

27

100

Pa

 

 

-8.5

2

8.5

m

 

0-8000m,-20—+70℃

-250

100

250

Pa

 

 

-40

8.5

40

m

 

高分辨率模式0-3000m

 

2

6

Pa

 

 

 

0.1

0.4

m

 

超低功耗模式0-3000m2

 

 

15

Pa

 

 

 

 

1.3

m

非线性

0-3000m

 

 

25

Pa

 

 

 

 

1

m

压力值输出字节长度

 

 

19

 

bits

温度值输出字节长度

 

 

14

 

bits

输出压力值更新速率

高分辨率模式

 

1.8

 

Hz

 

高速率模式

 

9

 

Hz

温度分辨率

 

 

0.2

0.5

温度精度

 

-2

1

+2

通讯接口通过SPI或I²C。SPI为全双工四线制,SHR1000和MCU的连接使用MOSI,MISO,SCK和CSB。I²C则是从方式的半双工两线制,通过连接SDA和SCL引脚。
工作模式


模式

压力测量

分辨率

输出数据更新速率

高分辨率

持续性

17bit

1.8Hz

高速率

持续性

15bit

9Hz

超低功耗

周期性

15bit

大约1Hz

低功耗

外部触发

17bit/15bit

 

断电

有PD脚激活

 

 

电气连接
SHR1000D01(SPI接口)


引脚

名称

作用

特性

1

ATST

悬空,仅工厂测试用

标准应用中连接AVSS

2

TRIG(5

触发

数字输入

3

DRDY

中断信号(数据完成)

数字输出

4

CLK

不使用,接地

 

5

DVDD

数字电源

电源线

6

DVSS

数字地

电源线

7

DVDDS

数字输入滤波器

数字电源输入器滤波器

8

PD(5

断电

输入,使芯片处于断电模式

9

SCK(5

SPI时钟输入

时钟接口

10

MOSI(5

SPI输入

SPI数据输入

11

MISO

SPI输出

数字数据输出

12

CSB

SPI片选

数字输入

13

AVDD

模拟电源

电源线

14

AVSS

模拟地

电源线

15

AVSS

模拟地

电源线

16

ATST

悬空,仅工厂测试用

标准应用中连接AVSS

SHR1000D11(I²C接口)


引脚

名称

作用

特性

1

ATST

悬空,仅工厂测试用

标准应用中连接AVSS

2

TRIG(5

触发

数字输入

3

DRDY

中断信号(数据完成)

数字输出

4

CLK

不使用,接地

 

5

DVDD

数字电源

电源线

6

DVSS

数字地

电源线

7

DVDDS

数字输入滤波器

数字电源输入器滤波器

8

PD(5

断电

输入,使芯片处于断电模式

9

SCK(5

I2C串口时钟

时钟接口

10

MOSI(5

I2C数据

I2C数据输入/出

11

MISO

悬空

 

12

CSB

悬空

 

13

AVDD

模拟电源

电源线

14

AVSS

模拟地

电源线

15

AVSS

模拟地

电源线

16

ATST

悬空,仅工厂测试用

标准应用中连接AVSS

注释1:I2C兼容TWI(两线串口)
注释2:参考DVDD
注释3:保守估计
注释4:可以由改变更新方法控制压力值更新速度
注释5:MCU必须激活信号使其处于高或者低的状态
s
注释:为了使连接更加稳定,成对引脚1,16和14,15(内部是连接一起的)必须焊接。
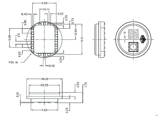
外形尺寸(mm)
d

    本文标签:SHR1000型硅电容数字式绝压传感器
版权所有:山东昊润自动化技术有限公司
地址:邹平县韩店镇
公司电话:0543-4895008
邮箱:sales@hrsensor.cn
技术支持:山东华拓网络